截止式换向阀,机械阀,压力机双联阀,电磁脉冲阀,手转阀,电控换向阀

产品资料
首页 >>> 产品目录 >>> 
产品[

DA42Y-100P,A42Y-320R, DA42Y-64P,弹簧全启封闭式**阀

]资料
如果您对该产品感兴趣的话,可以
产品名称: DA42Y-100P,A42Y-320R, DA42Y-64P,弹簧全启封闭式**阀
产品型号: DA42Y-100P,A42Y-320R, DA42Y-64P
其它品牌
产品文档: 无相关文档


简单介绍

DA42Y-100P,A42Y-320R, DA42Y-64P,弹簧全启封闭式**阀

DA42Y-100P,A42Y-320R, DA42Y-64P,弹簧全启封闭式**阀

的详细介绍
DA42Y-100P,A42Y-320R, DA42Y-64P,弹簧全启封闭式**阀


A42Y弹簧全启封闭式**阀适用于工作温度≤300空气、石油气、液体等介质的设备和管路上。A42Y-P型及A42Y-R型适用于工作温度≤200有腐蚀性的介质的设备和管路上,作为超压保护装置。弹簧全启封闭式**阀连接法兰标准按JB/T……-94系列1≥6.4MPaJB/T……-94系列2

 
主要零部件材料

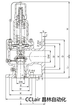
外形尺寸和连接尺寸

产品留言
标题
联系人
联系电话
内容
验证码
点击换一张
注:1.可以使用快捷键Alt+S或Ctrl+Enter发送信息!
2.如有必要,请您留下您的详细联系方式!


无锡市昌林自动化科技有限公司    地址:无锡市会北路28-135号(无锡光电新材料科技园)   
电话:13861877712 13812199898    传真: