产品[
KF3-E1B,KF3-E3B,KF3-E6L,压力表开关
]资料
如果您对该产品感兴趣的话,可以
产品名称:
KF3-E1B,KF3-E3B,KF3-E6L,压力表开关
产品型号:
KF3-E1B,KF3-E3B,KF3-E6L
其它品牌
产品文档:
无相关文档
简单介绍
KF3-E1B,KF3-E3B,KF3-E6L,压力表开关,生产厂家,价格
KF3-E1B,KF3-E3B,KF3-E6L,压力表开关
的详细介绍
KF3-E1B,KF3-E3B,KF3-E6L,压力表开关,生产厂家,价格
| 用途 |
| |
压力表开关用于切断或接通压力表,以测量油路的压力。当不需测压时,可使压力表开关处于卸荷状态,以便保护压力表。
单点压力表开关可作截止阀用,多点压力表开关只需一个压力表可测每点压力,且可用作分配阀。 |
 |
 |
|
| |
型号说明 |
| |
 |
| |
技术参数 |
| |
| 型号 |
使用压力 MPa |
可测压力点数 |
重量 kg |
| KF3-E1B |
16 |
1 |
1.0 |
| KF3-E3B |
16 |
3 |
1.4 |
| KF3-E6L |
16 |
6 |
2.1 |
|
| |
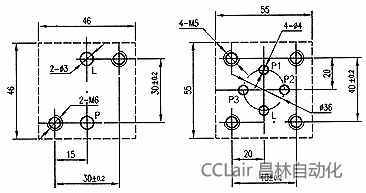
外形尺寸Outer dimension |
| |
板式Panel mounted |
| |
 |
| |
| 型号 |
尺寸 mm |
| A |
B |
C |
D |
L |
H max |
h |
h1 |
h2 |
h3 |
d |
M |
Φ |
| KF3-E1B |
46 |
46 |
30 |
30 |
105 |
85 |
59 |
0 |
10 |
24 |
2-M6 |
M20X1.5 |
30 |
| KF3-E3B |
55 |
55 |
40 |
40 |
114 |
102 |
69 |
24 |
8 |
30.5 |
4-M5 |
M20X1.5 |
40 |
|
| |
管式 |
| |
 |
| |
连接底板 |
| |
 |